EchoLink[エコーリンク]特設コーナー
〜スケルチ信号利用のインターフェイス&AF レベル調整 Tips


最終更新:130320  

  はじめに


 当局では、ローカル局に勧められたのをきっかけに、ECHO LINK という VoIP システムを運用しています。

 CQ 誌 '05 年 02 月号にも特集され、やってみようかな?と思った方も多いかと思います。しかし私はデフォルトである、VOX 制御での受信コントロールに満足がいかず、結局スケルチ信号をリグから取り出してみました(I/F を試作したその場での出来事でしたが、hi hi)。
 VOX でも、気を付けて運用すれば十分使えますが、少し黙り込んだり間が空いてしまうと、リグ→インターネット側への送信が、途切れたりバタついてしまいます。ですから、ECHO LINK のヘルプなどにあるように、より完璧な運用にはスケルチ信号(いわゆる COS)の活用が不可欠です。

 もちろん、私は無銭家なので I/F はあり合わせの部品で、配線類以外買った物はありません(もち、試作段階では 0 円)。まさに、ECHO LINK ヘルプにあるように、”ジャンク箱“等にあったパーツだけのスタートでした。

 ここでは様々な無線機にあわせて、安価で簡単な汎用部品で出来る、スケルチ信号用(COS)インターフェイスの取り方や、意外とうまく行かない音量調整法等について、ご紹介したいと思います。
 EchoLink のインストールや、基本設定などは各 OM 諸氏が既に複数、サイトへ掲載されています。ですから当サイトでは、自作インターフェイスのアップグレード、ノードの調整ノウハウ等々、実践面で各局の運用に多少なりとも寄与できれば、と思います。

 また EchoLink に関してセットアップや認証といった、ごく基本的なことから実際の運用や活用法更に便利な周辺ソフトまで、網羅的に解説された書籍があるのでご紹介いたします。
 Web 上の解説では不十分、または書いてあることがバラバラでどうしていいか解らない、といった方や全くの初心者の方までお勧めします(^_^;)。

  →CQ 出版社刊「インターネット・アマチュア無線」
  ※別ウィンドウで開きます

  EchoLink 作者・ジョナサン・テイラー氏の提言

 本文に入る前に EchoLink ソフトウェアの作者、K1RFD ことジョナサン・テイラー氏の提言を簡単にとりあげておきます。当サイトの内容と重複しますが氏も異口同音に、COS 利用の強い推奨や音量調整の重要さについて述べられています(別冊 CQ No.1・同氏インタビュー記事文末参照のこと)。
 アマチュアなのだから、「ただ動けば良い」とか「あるものだけでとりあえず動かしてみよう」、と言ったことも実験としては極めて重要です。
 氏の提言の重要性は実際に運用してみなければ、解らないことの方が多いでしょう。しかし、実際問題として EchoLink を早くから運用されている OM 諸氏であっても、これらの重要性について理解されていない方が少なからずいるのもこれまた事実です。

 とくにカンファレンスに接続しての運用では、動作・調整不良のノード局は個の問題だけにとどまらず、何十という他局へ迷惑をかけてしまいシステムとして EchoLink の特性を損ねてしまうことにもなりかねません。




  スケルチ信号について

 何度か CQ 誌にもスケルチ”開“時に HIGH レベル、”閉“時に LOW レベルになるリグ用のスケルチ信号用 I/F は何度も紹介されていました。
 その他、DATA 端子のない古いリグでも、TK10420 など IF 用の IC から簡単にスケルチ信号を取り出すことができます。かつて、某ベストセラー・ハンディ機などで BUSY ランプを増設した方もいらっしゃると思いますが、理屈自体はだいたい一緒です(LED をスイッチするか、電圧レベル変化を取り出すかの違い)。

 ただし、トーンスケルチ運用の場合はそのユニット、もしくはそれ用の IC から信号を取り出さないといけません(ユニットの場合は簡単に見つかります)。また近年では CPU に、トーンスケルチの処理をさせているリグもあります(A/D・D/A と DSP テクニックを活用。しかし特に初期のものはノイズに弱い場合があったり、新しいものでもスケルチ ON/OFF スレッショルドを行き来するとき、了解度が落ちるもの等難ありも…(;_;))。
 この場合は AF AMP. SW(AF 出力の ON/OFF or ミュート制御)のコントロールラインから、CPU へのつながるラインを追いかける必要がありますが基本的には同じことです。もちろん MiniDIN 6pin などのデータ端子があればなにも考えることなく信号を得られます hi。

 少し話がそれましたが残念なことに、当方で利用したリグ(アルインコ)のスケルチ信号がオープンコレクタタイプでした。スケルチ”開“時に LOW レベル(当然、”閉“時はオープンで HIGH ではない)というものです。
 初の動作試験こそ VOX で行いましたがその数時間後、試験運用開始にあたり確実な動作を得るため簡単なスケルチ信号処理回路を制作し、I/F に追加したのです。

 スケルチ信号は同一メーカであっても機種によって電圧レベルはおろか、論理レベルまでバラバラなのもポイントです。アルインコ以外のリグについても逐次触れていきます。




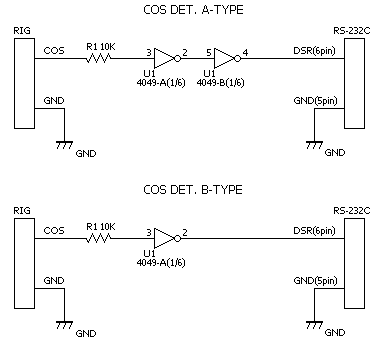
  即興制作したスケルチ信号用 I/F 回路(※今のところアルインコ専用)

 右図が当方で制作した、スケルチ信号用 I/F 回路です。NOT ゲートを使った極単純なものですが、これだけで確実な運用ができます。
 また回路図では、汎用 C-MOS 4049 となっていますが当時在庫になかったため、4011(NAND)の入力をショートして NOT の代用としています(^_^;)。(NAND はひとつあると組み合わせで色々なゲートに代用できて便利です)

 また電源はリグのマイク端子にでている、+5V をそのまま利用しました。C-MOS ですから、+8V など他のリグの電圧でもそのままイケます(IC 自体は 3-18V で動作しますが、RS-232C 入力への関係上 5V 以上必要です。PC の USB 端子から +5V を頂くのもアリです)。

 それから ECHO LINK 側の設定ですが、TOOLS メニューから SYSOP SETTINGS で、RX ctrl タブを開きます。ここで、Serial DSR にチェックをいれ、適切な COM ポートを(TX ctrl で選択したのと同じ)選択すれば OK です。
 リグを受信状態にし、他の適当なリグで短く送信してみて、確実に ECHO LINK メイン画面右下の”SIG“インジケータが点灯するか、確認します。スケルチの開閉に従って、”SIG“インジケータが点灯すれば完璧です。

 以上、非常に簡単なものですがより確実な運用のために、各局のヒントになればと思います。またあわせて当方の様に、スケルチ信号が面倒なタイプの方にも、この I/F をぜひ応用していただければと思います。


  更にシンプル化

 「今さら」、と言われそうですが、もっと初心に返ってトランジスタだけの回路に、置き換えてみました。
 各局から「最初からこれをだしてくれ」、と言われそうですが、当局のショボイ有機ニューロ&ファジイコンピュータの性能のせいです(ボカスカ)。

 こちらですと、IC がいりませんから数十円(or \0)で組めるかと思います(^_^;)。これは、電圧レベルを整合するための回路を応用した、単純なものですが確実に動作します。回路的には、スケルチ信号がポジティブ(開=HIGH/閉=LOW)なタイプと比較して、抵抗の値と位置が変わった程度です。

 入出力の動作レベルの関係が同じ(IC タイプと比較して)ですから、ECHO LINK 側の設定は前者の回路の場合と同じで OK です。




  その他一般的?なスケルチ信号形式について

 簡単にではありますがその他の各社リグでもっとも多いと思われる、スケルチ信号の型式について記述しておきます。

  A. ポジティブなもの・スケルチ開=+<5V/閉=0V
  B. ネガティブなもの・スケルチ開=0V/閉=+<5V

 ローカル数局にも協力していただき、色々なメーカの様々な世代のリグについて、できるだけ多く調べてみました。すると、だいたいどちらかのタイプが多いようで、私のリグのようなオープンコレクタタイプは、ごく少数派のようです。

 最近のリグですと、ケンウッドのものが一番素直?で、ポジそのものでした。アイコムでは、ポジタイプとネガタイプ両方が存在し、DATA 端子コネクタ(miniDIN-6Pin)まで一緒ですので、注意が必要です。
 具体的には、ポジタイプ(IC-208 等)がスケルチ開で +5V、ネガタイプ(IC-7000 等)の電圧がスケルチ閉で +8V です。更に困ったことに、IC-208 ではファンアウト(取り出せる電流)が極端に少ないらしく、保護ダイオードのみ等直結に近い方法では、COS を検出させることはできません(電圧降下が激しいため PC 側が反応しない♪)。

 従って、最低でもトランジスタによるバッファか、後述の A タイプ回路が必須ですので、注意が必要です。また、ここで少ないですがせっかくですので、最近のリグの COS 型式や特性について、別途表にまとめてみましたので、参考にされてください。

  添付資料:各社リグ・スケルチ信号形式と特性&ノード用リグとしての評価

 A/B タイプとも(IC-208/207を除く)、最も簡単なものについては直列(当然リグから、PC 方向が順方向)に、保護用のシリコンダイオードを通すだけでイケます(ポジ信号で B タイプ利用時、ECHO LINK 側で検出動作を反転させる設定必要有)。その他、簡易な方法としてはツェナーダイオードで、保護する方法などもあります。
 これらは簡単すぎて、回路図を描くまでもないのでここでは、あえて掲載しません(ボカスカ)。


 そこで直結に近いようなのは、嫌だという方は下記の様なものにすれば、シンプルかつ確実に動作するものができるでしょう。

 特に難しい説明はありませんが、C-MOS の反転バッファを数個使うだけという、まるで芸のないものです(^_^;)。

 A タイプの信号方は、上側の回路を、B タイプの信号の方は、下の回路を組めば OK です。

 また設定についても、反転バッファを使用しているため、どちらの信号タイプでも ECHO LINK 側の設定はデフォルトのままで OK です。

 面倒でも出来るだけ PC 側出力が正論理となる方が、フールプルーフという観点からも望ましいと思います。例えば ECHO LINK ソフトウェアを入れ直したら再設定時ワケが解らなくなった♪、とかリグの電源が落ちたらネット側に送信しっぱなしになった♪、等々で焦ることもありませんヨ。
 老婆心ながら、実際に再設定がワケワカになってパニクった局や、カンファレンスに無変調を垂れ流した局を何度も目の当たりにしてきたので警告しておきますヽ(´ー`)ノ。
 またもしも、使用する PC 側 RS-232C の関係などで、+5V 出力動作ではどうも COS の検出が芳しくない、という場合にも対処可能です。
 C-MOS の持ち味であるフルスイングを活かし、電源電圧を +8V〜+12V(Max.15V以下とすること)とすることで、出力電圧が電源電圧と同等にまで上がり、確実に検出させることが出来るはずです(特に古い PC 等)。

 このように少し工夫?すれば、安い汎用部品でも安定度の高いものが製作可能です(お金が多少かかっても、完璧を目指すならオーソドックスに MAX232 等を使えば良い)。
 ECHO LINK ヘルプメッセージにある、インターフェイスはジャンク BOX にあるパーツでも可能、というくだりがあります。これは COS を活用しても、なお当てはまるといえるでしょう。


  こちらもシンプル化(今さら)

 IC の使い方を忘れてしまった方や(C-MOS の未使用入力ピンを GND に落とし忘れて誤動作させてしまう人等が該当<まじでじま!?)、なるべくシンプルに組みたい方のため?にローカル局の要望も交えて 1Tr 化してみました。

 この回路でも入出力の論理レベルが反転しないので、COS がポジなタイプに最適でしょう。

 手持ちのパーツ箱にありがちな?大昔から定番である PNP Tr 2SA1015(2SC1815 のコンプリメンタリタイプ)を使っただけで、何のひねりもない回路です。

 たぶん Tr 動作の初歩の教科書に載っていそうな位のレベルです(ボカスカ)。
 ちなみに、E と C が逆さまになるだけで、回路的にはほとんど同じのネガタイプの COS 用回路も参考に掲載しておきます。

 まず非反転タイプ回路の動作について簡単に触れておきますが、COS 入力が入りトランジスタの B に電圧がかかった状態になると、E から B 間へ電流が流れなくなるため E・C 間が OFF となり DSR 側に R1 を通じて +5V がかかります(ネット側へ送信となる)。
 逆に COS 入力がない平常時(RF 側受信待機時など)には、トランジスタの B が GND レベルとなり E から B へわずかな電流が流れるため E・C 間が ON となり、DSR 端子はグランドレベルに落ちるといった具合です。このような単純な回路では R1 の値がひとつのポイントで、これが高すぎると PC によっては COS を検出しなかったり、最悪の場合検出が不安定となることもあり得ます。

 1KΩというのはノート、デスクトップを始め新旧の十台余りの PC で COS I/F を製作、稼働させた実績によって決定しており、あらゆる環境で確実に動作する事を主眼においています。非反転、反転どちらのタイプでも 5mA 未満しか電流は流れない設計です。
 また電源電圧は 5〜8V ならば、そのままの定数で問題ありません。

 その他 Tr によるリレードライブ回路のように、抵抗を介した後 E から C(NPN では C から E)を通じてシリーズに RS-232C へ電圧を入力するような回路も考えられます。しかし、バッファの動作としてはエレガントではないので当局では紹介いたしません。
 なぜならぱそのような回路構成では、信号源の電流がわずかながら出力先へ流れ込むわけで、安定動作を第一に考えるバッファ回路としては不適当と思われるからです(出力側が信号源に悪影響しないための分離ですから(^_^;))。これは次に示す、1Tr 反転タイプについても同じことが当てはまります。

 こちらは入出力で論理反転する回路で、COS がネガのタイプに最適です。
 この回路の動作は COS が入るとトランジスタの B が GND レベルとなり C・E 間が OFF するため R1 を通じて DSR へ +5V がかかります(ネット側へ送信)。
 また平常時(RF 側受信待機時など)はトランジスタの B へ電圧がかかると B から E 間にわずかな電流が流れ、C・E 間が ON となるため DSR が GND レベルとなると言った具合です。こちらの場合もやはりできるかぎり、あらゆる環境で動作実績を得られた回路定数を採用しています。
 また電源電圧は 5〜8V ならば、そのままの定数で問題ありません。


 最後にこれまでにご紹介した様々な COS 制御回路により、多くの PC 環境やリグに対応出来るのではないか、と勝手ながら考えています。しかし各自で、手持ちのリグ等に合わせてよりシンプルで確実に動作する、COS 制御回路を考えてみるのも流行の脳トレ@DS でヒマを潰すより、ずっと良いかもしれません(意味不明)。
 あるいは超小型パッケージや、チップ部品を駆使して COS 入りの I/F を全て、コネクタシェル等に仕込むとかも楽しいかもしれません(汎用部品でも空中配線ならなんとかおさまりますが(^_^;)。
 とにかく、COS 直結や受動部品のみの保護回路で、うまくゆかない場合にはこれまでにご紹介した、いずれかの回路が必須ですのでぜひチャレンジされてください。

 なおもし、「COS I/F がうまくできた」とか「良くわからないけど、回路を追加したらうまく動いた」、とか嬉しい?お便りがあれば、ぜひメール下さい(^_^;)。もちろん、COS 検出回路についてのご質問でも構いません。

 ちなみに、多数の当方ローカル局などではこれまでに紹介した、IC/Tr タイプを含めて複数の COS I/F が数年間、安定して連続稼働していることを付け加えておきます。




  スケルチ信号利用及びその他設定最適化の効果

 当局では COS 制御回路により、ネット側への送信がバタつくこともなく、実に快適な運用が実現できております。さらに、VOX ではムリだった VOX DELAY 及び ANTI-THUMP の設定も短縮ができるようになりました。具体的にはそれぞれ 200ms 程度にでき、よりスムーズな QSO が可能になりました。

 従来、VOX ディレイタイムが 1000 ないし 1200ms 程度(ANTI-THUMP が 500ms)は必要でしたから、この差は大きいと思います。さらに、リグ A→LINK ノード局 B→INTERNET→LINK ノード局 C→リグ Dという具合に、双方が別々な二つの LINK ノード局を介し QSO する場合は、効果てきめんでしょう。

 各々の LINK ノード局が、スケルチ信号利用の I/F 運用ならば、先のディレイタイムが双方向で短縮されるからです。当方ではスケルチレベルギリギリのモービル局が、途切れないよう調整をして 200ms としています。
 この設定に関しては、あまりにも少なすぎるとスケルチのスレッショルドを行き来するような場合(先のように弱電界かつ移動中の QSB がある場合など)、音声断続の原因となるので注意してください。

 また、COS 利用時は”お釣り“現象がないと言っていいので、ANTI-THUMP 設定は少なくて良いと思うのですが、念のため 200ms としています。こちらは自局ノード RF 側が、送信から受信に切り替わった直後 COS(VOX の場合は音声)を検出しない期間そのものですから、50ms とか極端に減らしても良いかもしれません。
 どのみち、トーンスケルチのオープンディレイが数百 ms はあるので、あえて当局では 200ms にしているというのもあります。すなわち、トーンスケルチのオープンディレイ未満の数値であれば、スムーズな交信には差し支えないからです。

 またついでに、TOOLS メニューから SETUP →TIMING タブも修正することを強くお勧めします。
 この中の一番下、Receive hang Time を 200ms 程度にしてみてください。これにより、インターネット経由で受信が完了してから、自局の送信が止まるまでが 1 秒以上短縮され、バサっとすぐに切れるようになります。

 こうすることで、先のスケルチ信号利用によるディレイ短縮と相まって、まるでハングアップタイムのないレピータか、クロスバンドレピータの様な感覚で、実にスムーズに QSO する事ができます。

 私見ですが意外と、スケルチ信号を利用している局が少ないようです。これを機に各局も I/F の性能アップに、励んでいただければと思います。


  プチ機能追加

 それから蛇足ですが、当局では実験運用を終えきちんとした、小型ケース(70x50x30mm 程度)に I/F を組み込むにあたり更に、簡単で実用的な機能を追加してみました。

 なんのことはない、ただの送受信表示 LED ですが、NOTE PC 利用なので LCD を閉じている時や省電力モードで、画面が消えているとき等に重宝します。
 また、リグの表示が見えないくらい離れていても、送受信が一目瞭然になるので動作状態確認に、とても役立っています。

 回路的には、スケルチ信号の RS-232C 入力(6pin)と、同 PTT 出力(7pin)から頂いた信号で 2 色(緑・赤)LED をそれぞれスイッチングしてあるだけです。近年のハンディ機によく見られる、送受信表示と同じです。

 ポイントは、アノードコモンの 2 色 LED を使うことくらいでしょうか(緑・赤独立の LED でもかまわない)。回路は極、基本的な教科書みたいなもののみですから、特に回路図は掲載しません。
 実用面以外でも、”ケース表面が寂しい“とか”I/F にアクセントがほしい“、といった方にもお勧めです(^_^;)。


送信時の様子

受信時の様子


  参考資料・スケルチ信号取出の実際

 ここでは典型的な、トーンスケルチユニット後付タイプの、旧型リグを素材にしてスケルチ信号取出し改造を、簡単にご紹介したいと思います。かつての、高速パケット用信号取出しに比較したら、超カンタンです。

 今回の素材は、送信出力不良(1mW 位の感じ。自前修理済)で某 OM 局に頂いたアルインコ DR-450 です。概ね、手順は次のような感じです(T さん本当にありがとうございました。リグは絶好調ですm(_ _)m)。

  1 分解
  2 トーンスケルチユニットの特定
  3 トーン検出信号取出しポイントの特定
  4 配線・線止加工等
  5 組み立て・動作試験

 まず、トーンスケルチユニットの特定。おそらく、この記事をご覧の方には、言うまでもないことかと思いますが、小さなサブ基板として実装されている、トーンスケルチユニットを探します。

 良くわからない方は、マニュアルなどをご参照の上、特定されてください。大概は、数p角の小さな基板に IC がひとつ、水晶が一つ載ったものです。
 参考までに右の方へ DR-450 のトーンスケルチユニット写真を、掲載しておきます。

 次に、トーン検出信号が出ているポイントを探します。これも簡単で、テスタのマイナス側をリグのシャーシなどに固定し、更にプラス側でリグ本体とユニットをつなぐコネクタのピンを、順番に探ります。
 改造対象のリグを、トーンスケルチ ON 状態にして、他のトーンを載せられるリグから短く送受信を繰り返しながら、一つずつピン電圧を測ればすぐ見つかるはずです。

 ただし、既述のようにリグによって、スケルチ信号は様々です。ただ、データ端子ではなくトーンスケルチユニットから、直接取出す場合はポジティブなものか、ネガティブなものかが多いかと思われます(ポジ:開=HIGH/閉=LOW・ネガ:開=LOW/閉=HIGH・REMARKS:どちらも勝手な呼称)。

 当局の使用した、DR-450 はネガティブなもので、トーンスケルチが開いたときに LOW(0V 付近)、閉じたときに HIGH(5V 付近)という動作でした。また併せて、トーンスケルチユニット上のグランドピンも、見つけましょう。

 両方みつけたら、メモなどにピン位置を書き写して完了です。

 さて次は肝心の、配線加工です。とりあえずは、右側の写真をご覧下さい。ユニットと、リグをつなぐコネクタのランドを利用して、配線を取出します。

 当方の場合、黄色がグランド、黒がトーン検出信号ですが、各自のリグでピンが違いますので、十分留意の上作業されてください。

 注意点は、確実なハンダ付けとハンダブリッジしないこと、細めの線材を用いる事です。また、ECHO LINK I/F との接続コネクタですが、当方ではすでに DATA 端子用として、D-Sub9 ピンを使用しているので、いらない PC/AT 用シリアルケーブルを切断して、コネクタ部分を利用しました。

 この部分は各自の I/F にあわせて、コネクタを使うなり直結(ボカスカ)なり好きなようにされてください。当方の使用したリグには幸い、予備アンテナケーブル用の貫通穴があり、それを利用して配線を引出しました。

 このような利用可能な穴がない場合、筐体の一部にヤスリで凹状の加工をして、配線を通すか適当に穴を開けてかまわないと思います(^_^;)。配線を外に引出したら、きちんと線止めをしてリグの改造は完了です。

 参考までに、今回改造したリグの全体写真と、配線引出し部分の写真を以下に掲載します。右の写真、白っぽい方がスケルチ信号線です。


 さて、リグを再び組み立てたら動作試験です。実際に、お使いの I/F に接続してテストサーバーなどに、つないで見ると良いでしょう。
 ECHO LINK 画面の”SIG“表示は、信号の入感に応じて点灯するか、無変調・有変調時ともネット側への送信が、途切れず正常か、これらの点をチェックすれば、バッチリです(トーン無しの波には反応しませんので悪しからず)。

 また余談ですが、今回のリグは単純なネガティブタイプの信号なので、既述オープンコレクタタイプ用 I/F 回路利用の場合、入力のプルアップ抵抗は不要です(汎用回路なら B タイプ回路が適合)。
 逆にスケルチ信号入力へシリーズに、10KΩ程度の抵抗を挿入すると良いでしょう。トランジスタタイプでは、4.7KΩ程度でいいと思います(ボカスカ)。

 以上、各局が既存の古いリグを改造される際の、参考にされてください。当局では念のため、C500/C5200 等のトーンスケルチユニットにて、スケルチ信号の素性・動作を解析しましたが、結構簡単です(^_^;)。




  まとめ

 デフォルトの VOX 運用ではリグの操作音(BEEP)が、垂れ流しになってしまったりハム音や接触不良のような(自局他バンドの回り込みまで垂れ流しに!)、ノイズまで垂れ流しでネット側に送信されてしまいます(もちろんその先には他局の無線機がある)。

 またノードに利用するリグによっては、VOX だと通話中ネット側の相手局が送信し終わった直後に、自局ノードがネット側に対して一瞬、送信になってしまういわゆる、”お釣り“という現象が発生してしまうこともあります。(リグ AF 出力にポップノイズ様のものが、送受信切替時に発生することがあるため)
 
 スケルチ信号を利用すれば、このようなマズイ(超迷惑)ことも防げます。またこれらのことは、ECHO LINK ヘルプにあるように VOX では信頼性が完全ではない、というくだりの実例です。

  ※抜粋:VOX is not completely reliable:VOX は信頼性が完全ではない

 当局は”快適“な運用性ばかりでなく、他局へ”迷惑“をかけないためにも、常時稼働のノード局にはぜひスケルチ信号を利用していただきたい、と強く願います。

 また蛇足ですが、当方では ECHO LINK 内蔵の DTMF デコーダで、特に通りが悪いと言うことはありませんし、ローカル数局でもそうです。若干ノイズが乗るくらい、メリット 3〜4 程度でもきっちりデコードしてくれます。

 逆に、ECHO LINK 内蔵デコーダのデフォルト値のいくつかは、一般的なハードウェアデコーダ IC よりも許容値が厳しく設定されています。
 それでも、自作のヘボい DTMF マイク(LR4087 使用。リグ内蔵の物と比較するとツイストが若干多め)でも全く初期値のまま、きっちりデコードしてくれます。

 現在までの感触では、強いマルチパスによる歪み、QSB によるノイズには弱くデコードが渋かったり、希に誤認識することがありますが、ハードウェアデコーダにしてもこの点は同じ傾向です(^_^;)。
 幸運なのか、デコード速度くらいしか大きな差異を感じられません。もし、デコードが渋いと言う方は、きっちりとしたレベル調整及び、FINE TUNING 等を行ってみてください(根気よく)。

 可能ならば、ECHO LINK ヘルプにもある通り、LINE 入力利用を推奨します。当たり前の事ですが、ゲインの高い MIC AMP がない分歪みも減るからです。こうすると比較的音質の悪い、CVSD でも完璧に通ります(複数環境で実証済)。
 その他、いかなるパターンでレベル調整等をしても、どうしても通りがわるい(ウワサの VX-7 等)という場合は、DTMF 設定>Advanced の Twist を 9dB 程度まで上げてみてください。
 聴感上、そもそもの DTMF 音が歪みっぽいという場合は、ツイスト(うねり成分のこと)が多いだけという場合もあるためです。人間の耳など、あてにならないという実例です(^_^;)。

 また DTMF 設定に関して言えば、AutoMute のチェックは外した方が良いでしょう。音声・バックノイズ等によりこれが時々誤動作を起こして、数秒間音声が”無音“となり通話が成立しなくなります。
 この現象は、ハードウェアデコーダ・内蔵ソフトデコーダを問わず発生し、ミューティング時の無音期間が結構長いので、非常に困った現象です。これはソフトデコーダだから特に多いということもなく、背景雑音や声質に大きく依存する問題です。
 そのため、なぜか時々ネット側への音声が途切れるという方の中にはこのチェックを入れたまま、忘れているといった場合が少なくありません。

 時々とはいえ長く途切れるのは不快なので私は外したまま(プロファイルでラグチュー用とカンファレンス用設定を切り替えると便利)ですが、カンファレンス等によっては AutoMute を義務付けているところもあるので、それらの規定に従ってください。

 それから蛇足ですが決して、DTMF 音を送信音量などの調整に利用しないでください。個々のリグによって出荷時に設定される送出レベルはまちまちですからほとんどアテになりません。こんな初歩的なことは、オーディオにちょっと明るければ解りそうなことですが!(^_^;)。
 これらはアマチュアの犯しがちなミスです(ボカスカ)。音量調整は必ず次章以降を参考にされてください!!。




  合わせ技一本!?

 当方では、かつて一世を風靡!?しながらも、使いこなしている人の少なかった、”DTMF ページング機能“を ECHO LINK を通じて利用することもあります。特に、ハンディ機では音声が雑踏にまみれて、ボリュームを大きめにしていても、呼び出しに気づきにくい事が多々あります。

 ページング機能ならば、アラーム音+相手局音声にて着信できるので、気づきやすく非常に便利です。また、呼び出し局のコードがディスプレイに残るなど、これらは不在時には固定・ハンディ・モービルを問わず活躍します。

 ECHO LINK はせっかく、DTMF が通るコーデックを使用しているのですから、使わない手はないと思います。しかも、ハンディ機一つで”いつでも・どこでも“へ、一歩近づける ECHO LINK にページングなんて、実際に使ってみると鬼に金棒だと感じます。

 ちなみに、Single user ノードからでも、ECHO LINK 内蔵の DTMF Pad 機能を利用すれば、ページングによる呼び出し等が可能です。
 有効にするには、メニューバーから View→DTMF Pad を選択するだけです。すると、画面上にちいさな 16 キーが現れ、DTMF を送出することができます。

 ただし、この機能は相手 -L/-R ノード局側で許可していないと、有効にすることはできません。-L/-R ノード側の設定は、メニューバーから、TOOLS→SYSOP SETTINGS→DTMF タブを開き、Enable remote Pad にチェックを入れます。

 また手動による呼び出しは、例えば相手局コードが 123、自局が 321 だとすると・・・

  123*321

 と、DTMF を発生させるだけです。最新のリグには、ページング機能がなくて非常に寂しい限りですが、ぜひとも復活していただきたいもののひとつです。使い勝手は別にしても、単純な原理のため各メーカで暗に互換性がとれていた唯一の例でしょう(ボカスカ)。

 ただ最近、ちょっと気になるのはヤエス(あえて形骸化したスタンダードの名は旧マランツファンとして出しません<ボカスカ)の VX-3 といったハンディ機などに、超低速の簡易メッセージ交換・選択呼び出し機能がついていることです。
 これは DCS とおなじく超低速 MSK を使うようです。とにかく、ブランド名だけが残っている現在のヤエス(バーテックススタンダード)のハンディ機には、わたくし的に他局へお勧めできる物がございません。

 よほど、ヤエスに誘われたときに OK しておけばよかったか!?などと、アホなことを考えてしまう今日この頃です(自爆)。




  意外と各局が苦労されている音量調整について

 ECHO LINK の送受信音量調整ですが、意外と OM さんでも基準がわからないために、苦労されているようです。

 ここでは比較的簡単にかつ、ほぼ確実にレベル調整をするコツ?を、ご紹介したいと思います。

 まずは自局ノード RF 側送信レベル(ネット側からの受信音量)調整。

 最初に PC の再生コントロールにて、マスターを最大、WAV スライダを中間に設定してから調整を始めます(他のマイク・LINE 等使用しないスライダは、不意なノイズ混入の原因なのでミュートをかけることを推奨します)。これの基準ですがまず最初に”大まかな目安“として、ECHO LINK 内蔵のトーンジェネレータ機能を活用します。

 TOOLSメニュー→Tone generator から開き、デフォルトの 1000Hz/-6dB でStart ボタンを押して見ます。すると、リグの PTT が ON になると同時に、「ピーッ」という感じの発信音が聞こえるはずです。
 まずは、これで適当な音量になるよう、PC 再生コントロールの WAV スライダーを調整します。次に送出レベルを 0dB にして、試してみるとよいかと思います(数十Hz-4KHz 辺りまで発振させて、システムの周波数特性を見ることも出来ます)。

 その後の基準には、ECHO LINK そのもののアナウンス機能を活用します。ネイティブな方の様々なアナウンスが、ECHO LINK には内蔵されていますが、これは実に絶妙なレベルで録音されていますので、基準として使えます(ピークで最大レベルまで振っていながら歪んでいない。ただし人間の耳は数 % 歪んでいても解らないので、そういう突っ込みは無しで(^_^;)。

 TOOLS メニュー→SYSOP SETTINGS を開き、IDENT タブから Spoken voice を選び、TEST ボタンで発声させてみます。ここで、なるべくスピーカの口径が大きな、音質が良いリグで自局ノードを受信し、チェックします。
 繰り返し発声させながら、アナウンスが歪まず奇麗に聞こえるところまで、PC 再生コントロールの WAV スライダを上下させ、調整していきます。

 調整の順番は、この記事の通りに進んでください。この調整が、全ての基本となります。

 次は自局ノード RF 側受信レベル(ネット側への送信音量となる)。ここで予め、リグのボリュームを 9 時〜9 時半程度にしておきます(PC の入力で歪んだら元も子もないので。それでも歪むときは更に 8 時〜7 時半程度と更に絞ります)。

 これの基準をどこに持っていくか?ですが、FM なのでデビエーションが ±5KHz と決まっているのですから、ノイズスケルチを解放した際の、ホワイトノイズを基準にします。
 まずは PC 側録音コントロールを開き、お使いの入力レベルスライダを真ん中位に設定(録音マスタースライダがある場合、そちらはまず最大に)、その後ノイズスケルチを解放(トーンスケルチ使用時は一時的に外します)して大まかにリグボリュームで、ECHO LINK レベルメータの黄色部分が、若干振れる位にします (青・黄の境界が最大レベルより -6dB、すなわち音量で半分)。

 その後、テストサーバーに接続しながら実際に適切な変調レベルで、マイクに向かってしゃべってみたり、DTMF の通りを見ながら若干、PC 側スライダをわずかずつ上下していく感じで、調整できるはずです。
 スライダ調整のコツですが、マウスカーソルでドラッグではなかなか細かい調整がしづらいものですし、この方法だけでは大ざっぱな調整になりがちです。
 ですからいったんマウスカーソルで、スライダをクリック後に(該当スライダに点線の囲みが付き選択状態になる)カーソルキーの上下キーを用いて調整すると、最小ステップで調整が利きます。

 目安としては、通話時のピークレベルがメータ青・黄色境界以上から最大レベル未満、このあたりを前後するようにしてみてください。サウンド環境によっては、黄色半分(-3dB)あたり以上振らない場合もあります(再生音が実際歪んでいなければ OK)。
 せっかくピークホールド(グラフ右端に出る赤の細い縦線)になっているので、ピークレベルでは最大値ギリギリに調整することも可能です。しかし必ずピーク値でメータが振り切らないように(S メータではないのだからフルスケールは論外)し、きちんとテストサーバ経由で音声が歪んでいないことを、確認しながらやってみてください。

  ※The meter should jump at least into the yellow area on voice peaks,
    but should not go full-scale.(EchoLink ヘルプより抜粋)
  「音声のピーク時、黄色部分をメータが前後するようにすべきだが、フルスケールに達してはならない」。このように ECHO LINK ヘルプにも私が再三述べてきたことと、同じようなくだりがあります。

 蔓延する”俗説“として、青・黄色境界未満にするだとか、黄色部分がちょっとだけ振れるようにするとかいうのは、A/D 変換器やデジタル録音機を扱ったことのない、トーシロの侵す過ちですからこのサイトを読んだ方は、良い機会ですので”俗説“は忘れてください(ボカスカ<それを教えてくださった OM 諸氏には大変失礼ですが…、多分 VU メータと勘違いしている!<まじでじま)。

 最大レベルが低いと、いわゆる変調の薄い良く聞こえないノード局になってしまいます。どんなに浅くとも、最大レベル比で -6dB 以内程度にとどめないと、モービル等ではうまく聞き取ってもらえないことでしょう(ボカスカ)。

 大概、自分の声だけで調整すると、通常時の変調が深めな方のノードは、基準からすると浅めになってしまう傾向が強いようです。また逆に、ふだん浅い方は深めもしくは、過変調に調整してしまう傾向が強いようで、各局とも十分留意願いたいと思います(決して自分の声だけで調整しないこと!!)。

 どうしても自信のない方はこのサイトを熟読した上で、いつも声が大きく DX 慣れているローカルさんに頼んで自局ノードを使ってもらえばよいでしょう(これホント)。

 ECHO LINK での過変調ほど、聞こえないものはありませんから十分気を付けたいものです。極端な過変調は、ディストーションエフェクタをかけたり、あるいはハンディ機の Vol を最大にして、バリバリいってまるでまともな声になっていない状態に、近いものがあります。とにかく、まるで聞こえないか聞き苦しいことこの上ありません。

 もちろんなるべく一定の声量で、マイクとの距離を適切に保つなど、通常運用時の留意点は当然、守らなければいけません。ECHO LINK のシステムそのものは、デジタル伝送処理です。しかし個々のノード局側入出力は、全てアナログなのです。

 ですから、出入り口でレベルを揃えなければ、せっかくの優れたシステムもその音質や、性能を十二分に発揮することは出来ません。ましてや、明確な基準もなく闇雲にレベル調整をするなど、うまくゆくはずがありません。

 最後に蛇足ですが、レベルメータの具体的な見方を記述しておきます(右図参照)。

 一番右端は言うまでもなく、最大レベルの 0dB です(デジタルなのでそれ以上はない)。更に青・黄の境界部分が -6dB でこれが全体の基準、全体の半分付近が -12dB というスケールのようです(-6dB が基準なのは音声レベルが最大比で半分だから。そのため色の境界で表している)。

 ちなみに、-12dB 程度がピークの変調レベルでは、かなりボリュームを上げないと聞こえなくなり、モービル局はおろか固定局でも非常にとりづらいレベルです。-12dB は、音量で 1/4 にもなるのですから当然です。このような設定は快適に運用する上で FM でコンプレッサをかけるのと同様、論外と言うほかありません(ボカスカ)。

 いかがでしょうか?、これでほぼ完璧?に送受信とも調整が出来ると思います。調整用スライダが多数ある上に、明確な基準をもたないため各局とも、レベル調整に悩んでおられたことと思います。
 最後に付け加えますが決してレベルメータの指示のみを見て調整しないでください。本文にあるよう必ず、EchoLink テストサーバに接続し自局の音声を聞きながらレベルが適切かつ、歪みがないように調整してください。
 よくある調整ミスにレベルメータだけを見て調整してしまっていて、メータの指示は振り切っていなくても肝心の音声はダミ声のように歪みまくっていた…なんてこともあります。

 よく考えてみてください。例えば違法 CB 局の超過変調なダミ声を受信しているとき、いくら無線機のボリュームを絞っても聞こえてくる音は、”ダミ声“のままです。PC の入力部で歪んでしまうということはこのような状態を指し、いくら録音スライダを調整してレベルメータを適切に振らせたところで、絶対に”まともな音声“にはなってくれません。

 毎度のことながらながくなりましたが、この記事が解決の一助となれば幸いです (^_^;)。

 また蛇足ですが、わたくし個人的に DATA 端子での AF 入出力はお勧めしません。なぜならば、AFSK 用に最適化された周波数特性になっているため、超ハイ上がり(高域が強調されたような)のいわゆる”キンキン声“になってしまい、非常に聞きづらいノード局ができあがってしまうからです(実際、全国的に不評を買ってます)。

 ”キンキン声“+レベルオーバーだと、まるで嫌がらせかと思うほど汚いダミ声ノードができあがってしまい、違法 CB er や不法局も真っ青の汚い変調で聞き苦しいことこの上ありません(ボカスカ)。




  おわりに

 無銭家の私が言うのもなんですが、”I/F にお金なんてかける必要はない“というのが結論です(ボカスカ)。
 そんなことより安定したノードの運用(リグの放熱対策は当然の大前提)には、PC の整備・保守の方がよほど重要です(すぐ腐り根性無しの XP[見た目がハデで重いだけ]/Me[もとからヨレ気味・話にならない/MS 的には”いらない子“ Vista]は推奨しない)。

 Win9x 系なら、Win95OSR2 以降か、Win98(SE は微妙) を、NT 系ならば Win2K を極めて強く推奨します(WinNT 4.0 は軽くて良いが素人には扱いづらい。根性のある人はチャレンジすると楽しい!?)。またサウンドドライバも、”ただ鳴るだけ“の MS 純正よりも、サウンドカード or チップメーカ純正のものの方が、トラブルも少なく安定しています。

 またノード用 PC も、なにも最新スペックは必要ありません。最低でもセレロン 4-500MHz 程度の CPU と、十分なメモリ(Win9x@64-96MB/Win2K@128-256MB 程度推奨)、サウンドブラスター互換など CPU 負荷の低い、サウンドカードがあれば数千円のジャンクでお釣りがきます(当局など 3 オーナー目の ThinkPad560X@無印 MMX233MHz を約 3 年間利用中)。
 それこそ、USB-RS232C 変換ケーブルを買うような値段の PC で、たくさんということになります(超ボカスカ)。

 その他よく話題になる高級 I/F の機能に TOT(PTT のタイムアウトタイマ)がありますが、リグに内蔵のものや自作でいくらでも代替が効きます。またご丁寧に COS 入力にフォトカプラが入っていたりしますが、そのままでは動作不安定なリグもけっこうあり OM 諸氏を悩ませているようです(^_^;)。

 また音声ラインの RF/AF アイソレーションも、AF トランス(秋葉原でも小型トランスは取扱店が少なく入手しづらい)などを使うより楽な?方法があります。
 それには有線電話機用の EMI コモンモードフィルタを用いる方が、入手が容易な上に安くて(\105 程度)小さいのでお勧めです。この部品はジャンクの留守電から採取できることもありますし、秋葉原等にも転がっています。
 もちろん AF トランスを使い RF アイソレーションと同時に AF のインピーダンスマッチングをとることで入出力の F 特を、フラットに近づけることは出来るので音質を追求したい方には試す価値があります。

 更に別の問題として運用上、相手が国内局なのに「音声が途切れる」、という場合は ISP の品質を疑う必要があります(モデム・ルータ等のネットワーク機器やリンク速度に異常がないのは大前提)。海外局との QSO では、パケットロスが多発しがちなので若干、音声とぎれが多い傾向があります。
 しかし、比較的条件の良い国内局同士で、音声が途切れてしまうとなると、ISP の上流に問題ありと言わざるを得ません。

 この辺りは、大量データ送受信時(FTP/P2P 等)にあまり速度が上がらない ISP が、ダメなのは有名ですがこれと全く同じ傾向があります。なにしろ、高々 17Kbps のパケットが安定した速度で通らないのでは、悪名高き WILLCOMM とかわりありません(ボカスカ)。

 最後に、ECHO LINK の健全な発展とより、快適な運用を願って 73&88。


                               JH1UKF